H4V1I1
0.4–2 GHz, 7 W, 39 dB Gain, GaN MMIC PA in QFN Package

Type
Power Amplifiers
Frequency (GHz)
0.4 – 2 GHz
Insertion loss (dB)
7 W (38 dBm)
Switching time (ns)
39 dB (typ.)
Type
Power Amplifiers
Frequency
0.4 – 2 GHz
# of elements
7 W (38 dBm)
Output Power (dBm)
39 dB (typ.)
Type
Power Amplifiers
Frequency
0.4 – 2 GHz
Realized Gain (dBi)
7 W (38 dBm)
Polarization profile
39 dB (typ.)
Type
Power Amplifiers
Input Frequency (GHz)
0.4 – 2 GHz
LO Frequency (GHz)
7 W (38 dBm)
Output Frequency (GHz)
39 dB (typ.)
Type
Power Amplifiers
Frequency (GHz)
0.4 – 2 GHz
Power Level (W)
7 W (38 dBm)
Gain (dB)
39 dB (typ.)
Type
Power Amplifiers
Frequency (GHz)
0.4 – 2 GHz
Power Level (W)
7 W (38 dBm)
Type
Power Amplifiers
Frequency
0.4 – 2 GHz
Gain (dB)
7 W (38 dBm)
Secondary features
39 dB (typ.)
Type
Power Amplifiers
Frequency (GHz)
0.4 – 2 GHz
# of elements
7 W (38 dBm)
Output Power (dBm)
39 dB (typ.)
*Specifications may change without notice

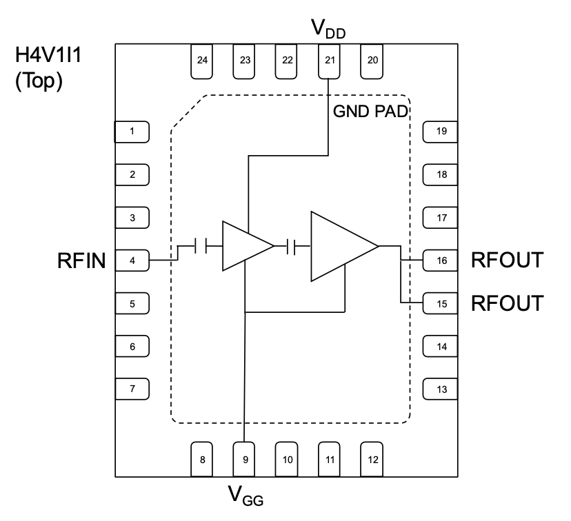
Description
The H4V1I1 is a multi-stage GaN MMIC power amplifier delivering 7 W of RF output power across 0.4–2 GHz with 39 dB small signal gain and 53.7% peak PAE. It integrates 50 Ω matched I/O, single-supply bias, and ESD protection in a compact 4 × 5 mm QFN package. No external matching is required.
Features
- 39 dB Small Signal Gain with ±1.4 dB flatness
- 38 dBm output power
- 53.7% peak PAE
- Unconditional RF stability from DC to 20 GHz
- 50 Ω matched at input and output — no external matching required
- Single VGG and VDD supply pins for all transistor stages
- ESD protection
Applications
- Defence Applications (Radar, UAV)
- Satellite Communications
- Electronic Warfare
- Industrial and Scientific Systems
- Deep Space Applications
Acknowledgment of Country - MILLIBEAM acknowledges the Traditional Custodians of the lands throughout Australia where we live and work today. We celebrate the diversity of Aboriginal peoples and their ongoing cultures and connections to land, sea and community. We pay our respects to the Elders both past and present and extend that respect to all Aboriginal and Torres Strait Islander peoples today.

